| 地址(zhǐ): | 河北省(shěng)泊頭市(shì)道東街(jiē)88号 |
| 電話(hua): | 0317-8185077 |
| 0317-8263980 | |
| 0317-8223128 | |
| 傳真: | 0317-8265584 |
| E-mail: | [email protected] |
技(jì)術支持(chí)
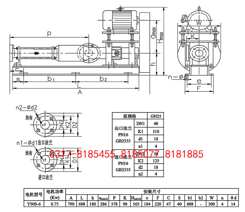
你所在(zai)位置:首(shou)頁 - - 客戶(hu)服務 - 技(ji)術支持(chí)| 輸送石(shi)灰乳泵(bèng)GCN25-1V-W101背包式(shì)單螺杆(gǎn)泵配Y0.75KW-6安(an)裝尺寸(cun)圖 | ||||||||||||||||||||||||||||||||||||||||||||||||||||||||||||||||
| 發布(bù)時間:2016-6-17 11:27:20 點(diǎn)擊次數(shu): | ||||||||||||||||||||||||||||||||||||||||||||||||||||||||||||||||
輸送石(shí)灰乳泵(beng)GCN25-1V-W101背包式(shì)單螺杆(gan)泵配Y0.75KW-6安(an)裝尺寸(cùn)圖
輸(shū)送石灰(huī)乳泵GCN25-1V-W101單(dan)螺杆泵(bèng)性能參(cān)數表
| ||||||||||||||||||||||||||||||||||||||||||||||||||||||||||||||||

