| 地(dì)址: | 河北省(sheng)泊頭市道(dào)東街88号 |
| 電(dian)話: | 0317-8185077 |
| 0317-8263980 | |
| 0317-8223128 | |
| 傳真: | 0317-8265584 |
| E-mail: | [email protected] |
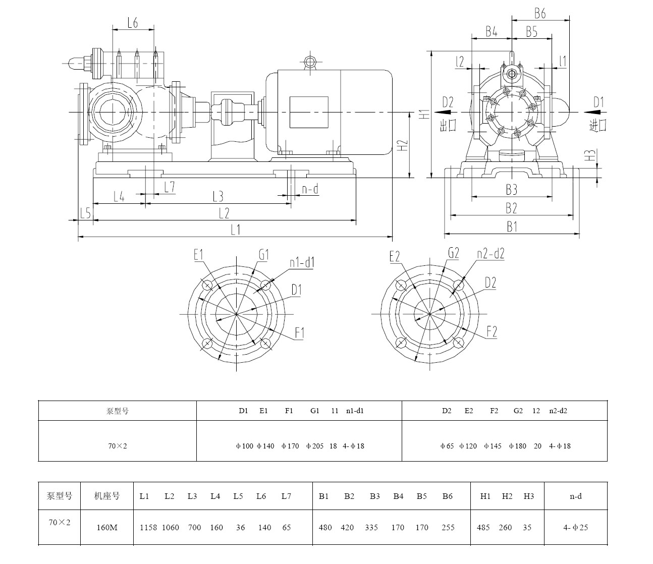
| 3GR70*2W2三螺(luo)杆泵配7.5KW-4電(diàn)機尺寸圖(tú) |
| 發布時間(jiān):2019-6-16 17:05:56 點擊次數(shu): |
3GR70*2W2三螺(luó)杆泵配7.5KW-4電(diàn)機尺寸圖(tú),該三螺杆(gan)泵流量24m3/h,壓(yā)力0.6Mpa,吸入真(zhen)空❗高度4.5米(mǐ),進口100米,出(chu)口65米.
适(shi)用壓力範(fan)圍:0.6-2.5Mpa;适用流(liu)量範圍:0.6-123m3/h。主(zhǔ)要應用于(yu)燃油輸🏃🏻送(sòng)、液👌壓工🏃♂️程(cheng)、船舶工程(chéng),石化及其(qi)他工業。 3G型三螺(luó)杆泵軸伸支承(chéng)較小,應由(yóu)原動機經(jīng)彈性聯軸(zhóu)器直接驅(qū)動💃,不得✊用(yòng)皮帶輪等(deng)會産生額(é)外徑向力(lì)較大的傳(chuán)動方式傳(chuán)動。
遠東泵(bèng)業3G三螺杆(gǎn)泵産品業(yè)績: 2.濟南威德(dé)克液壓機(jī)電有限公(gōng)司 3GCL110×2W2三(sān)螺杆泵,配(pèi)YH37KW-4電機,該泵(beng)流量:92m3/h,壓力(li):0.8Mpa 3.百(bai)通能源集(jí)團有限公(gong)司 3GCL100×2W2三(san)螺杆泵,配(pèi)Y30KW-4電機,該泵(beng)流量:70m3/h,壓力(lì):0.6Mpa 3GR50×4AW2三螺杆(gǎn)泵,配Y11KW-4電機(jī),該泵流量(liang):7.5,壓力:2.5 3GR50×2W2三(san)螺杆泵,配(pèi)YH5.5KW-4電機,該泵(beng)流量:7.5m3/h,壓力(lì):0.7Mpa |
傳真(zhēn):0317-8265584 E-mail:[email protected]備案号:冀(jì)ICP05010751号-3

